80滚筒
查看更多
应用领域:快递物流。
主要是快递场站6米、8米、10米、12米这类长线体的动力单元。
产品特征:结构简洁,能够节省现场空间,方便整体规划、安装方便。
|
额定电压
|
380V
|
||
|
电机极数
|
4P
|
2P
|
|
|
额定电流
|
3.4A
|
5.5A
|
|
|
频率
|
50Hz
|
||
|
额定功率
|
1500W
|
2200W
|
|
|
最大噪音
|
65db
|
||
|
电缆长度
|
1500mm(可增加延长线)
|
||
|
防护等级
|
IP66/IP69K
|
||
|
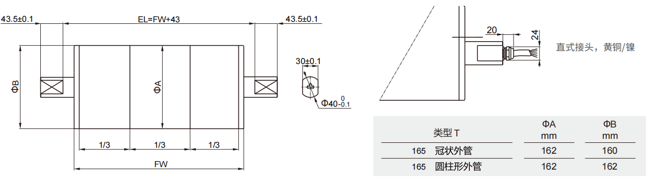
钢管材质
|
碳钢、不锈
|
||
|
运行环境温度
|
-5°C~40°C
|
||
|
速度代码
|
速比
|
额定输出转速 (rpm)
|
额定输出线速度 (m/s)
|
额定输出力矩(N-m)
|
牵引力 (N)
|
|
S1
|
11.79 | 114.5 | 0.97 | 101.3 | 1228 |
|
S2
|
12.91 | 104.6 | 0.89 | 111.0 | 1345 |
|
S3
|
15.78 | 85.6 | 0.73 | 122.1 | 1480 |
|
S4
|
20.77 | 65.0 | 0.55 | 160.7 | 1947 |
|
S5
|
25.82 | 52.3 | 0.44 | 199.7 | 2421 |
|
S6
|
30.12 |
44.8
|
0.38 | 233.0 | 2421 |
|
S7
|
35.5
|
38.0 |
0.32
|
274.6
|
3329
|
|
S8
|
38.72
|
34.9
|
0.30
|
299.5
|
3631
|
|
S9
|
42.41
|
31.8
|
0.27
|
328.1
|
3977
|
| 速度代码 | 速比 | 额定输出转速 (rpm) | 额定输出线速度 (m/s) | 额定输出力矩(N-m) | 牵引力 (N) |
| S1 | 11.79 | 237.5 | 2.01 | 84.7 | 996 |
| S2 | 12.91 | 216.9 | 1.84 | 92.7 | 1091 |
| S3 | 15.78 | 177.4 | 1.51 | 102.0 | 1200 |
| S4 | 20.77 | 134.8 | 1.14 | 134.3 | 1580 |
| S5 | 25.82 | 108.4 | 0.92 | 166.9 | 1964 |
| S6 | 30.12 | 93.0 | 0.79 | 194.7 | 2291 |
| S7 |
35.5
|
78.9
|
0.67
|
229.5
|
2700
|
| S8 |
38.72
|
72.3
|
0.61
|
250.3
|
2945
|
| S9 |
42.41
|
66.0
|
0.56
|
274.2
|
3225
|
