80滚筒
查看更多
应用领域:快递物流。
主要是快递场站6米、8米、10米、12米这类长线体的动力单元。
产品特征:结构简洁,能够节省现场空间,方便整体规划、安装方便。
基本参数
| 额定电压 | 380V |
| 电机极数 | 8P |
| 额定电流 |
5.8A
|
| 额定频率 |
200HZ
|
| 额定功率 |
2920W
|
|
电机额定转速
|
3000r/min
|
|
电机额定转矩
|
9.3Nm
|
|
最大噪音
|
65db
|
|
电缆长度
|
1500mm(可增加延长线)
|
|
防护等级
|
IP66/IP69K
|
|
钢管材质
|
碳钢、不锈钢
|
|
运行环境温度
|
-5°C~40°C
|
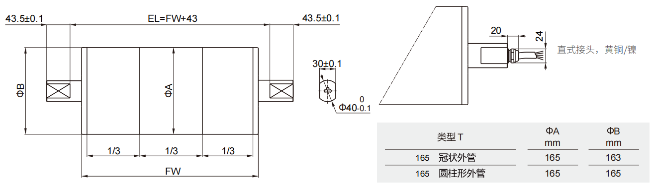
Φ165mm同步滚筒性能选型表格
| 速度代码 | 速比 | 额定输出转速(rpm) | 额定输出线速度 (m/s) | 额定输出力矩(N-m) | 牵引力(N) |
| S1 | 11.79 | 254.5 | 2.10 | 103.07 | 1307 |
| S2 | 12.91 | 232.4 | 2.01 | 112.86 | 1368 |
| S3 | 15.78 | 190.1 | 1.64 | 140.88 | 1708 |
| S4 | 20.77 | 144.4 | 1.25 | 185.43 | 2248 |
| S5 | 25.82 | 116.2 | 1.00 | 185.43 | 2794 |
| S6 | 30.12 | 99.6 | 0.86 | 268.91 | 3260 |
| S7 | 35.5 | 84.5 | 0.73 | 316.94 | 3842 |
| S8 | 38.72 | 77.5 | 0.67 | 345.69 | 4190 |
| S9 |
42.41
|
70.7
|
0.61
|
378.64
|
4590
|
